更新时间:2019-06-19 17:06:51 点击次数:
产品分类:硬密封蝶阀
订购热线:13801781118
产品用途:
D71X、D371X、D671X、D971X型中线对夹式蝶阀公称压力≤1.6MPa的食品、制药、化工、石油、电力、轻纺、造纸等给排水、气体管道上作调节流量和截流介质的作用。
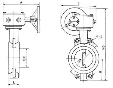
结构图:

阀门型号:
常见的中线对夹式蝶阀型号有:d71x、d371x-10、d371x-16、d371x-25、d371f-10、d371f-16、d671x-6、d671x-10、d671x-16、d671f-10、d671f-16、d971x-6、d971x-10、d971x-16、d971f-10、d971f-16等。
产品特点:
1、结构简单紧凑、小型轻便,容易拆装及维修,并可在任意位置安装。
2、90°回转,启闭迅速。
3、由扭矩产生弹性密封,密封可靠。
4、选择不同零部件材质,可适用于多种介质。
执行标准:
设计规范: GB/T 12238
结构长度: GB/T 12221
法兰连接: GB/T 9113
试验与检验:GB/T 13927